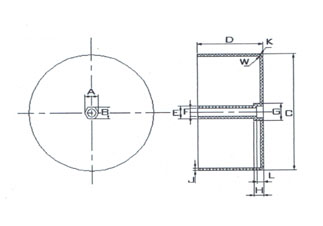
Check the main design according to the design size: H-5000
| Icon code | Design size |
| A | 40.00 |
| B | 30.00 |
| C | 250.00 |
| D | 142.00 |
| E | 19.00 |
| F | 13.00 |
| G | 50.00 |
| H | 16.00 |
| J | 3.00 |
| K | R3 |
| L | 12.00 |
● Detection tool:0.02 caliper or micrometer.
● Indicate the code for inspection.
● plane does not allow a step,feel smooth and unimpeded.No obvious warping.
● no residual shape or damage,color is no different normal
● Metal-free impurities or other debris,containing metal,debris products,must be waste separation.
● no flash,burr and excess material.
● feel a strong elasticity,and not brittle.
● Selection of raw materials must meet the requirements of the EU ROHS directive,and has UL yellow card certification and fixed-point supply.
● thermal deformation temperature≥100 degrees Celsius,flame retardant UL94Vo level/0.8-3.2mm.
● other structures should meet the transformer manufacturing process as the standard.

